JDZX15-17.5

JDZX15-17.5 Voltage Transformer for AIS(PO-376)

  • Application: 17.5kV Air-Insulated Switchgear

  • Structure Type: Indoor; Single-Phase; Single-Column; Resin-Cast

  • Rated Frequency: 50Hz, 60Hz

  • Rated Insulation Level: 17.5/55/105kV (IEC 17.5/38/95kV)

  • Standards: GB/T 20840.1&3 (IEC 61869-1&3)


暂无内容
暂无内容
Product description
 

Product Technical Specifications

Rated Primary Voltage (kV)

Rated Secondary Voltage (kV)

Accuracy Class Combination

Rated Output (VA)

Thermal Limit Output (VA)

15/√3

0.1/√3

0.2

30,50

500

0.5

60,80

1

80,100

0.1/√3:0.1/√3

0.2/0.2

20/20

250/250

0.2/0.5

20/50

0.1/√3:0.1/3

0.2/3P

20/100

300

0.5/3P

50/100

Note: Parameters above are recommended specifications and can be customized upon request.

★Warning: Secondary windings must not be short-circuited during operation.

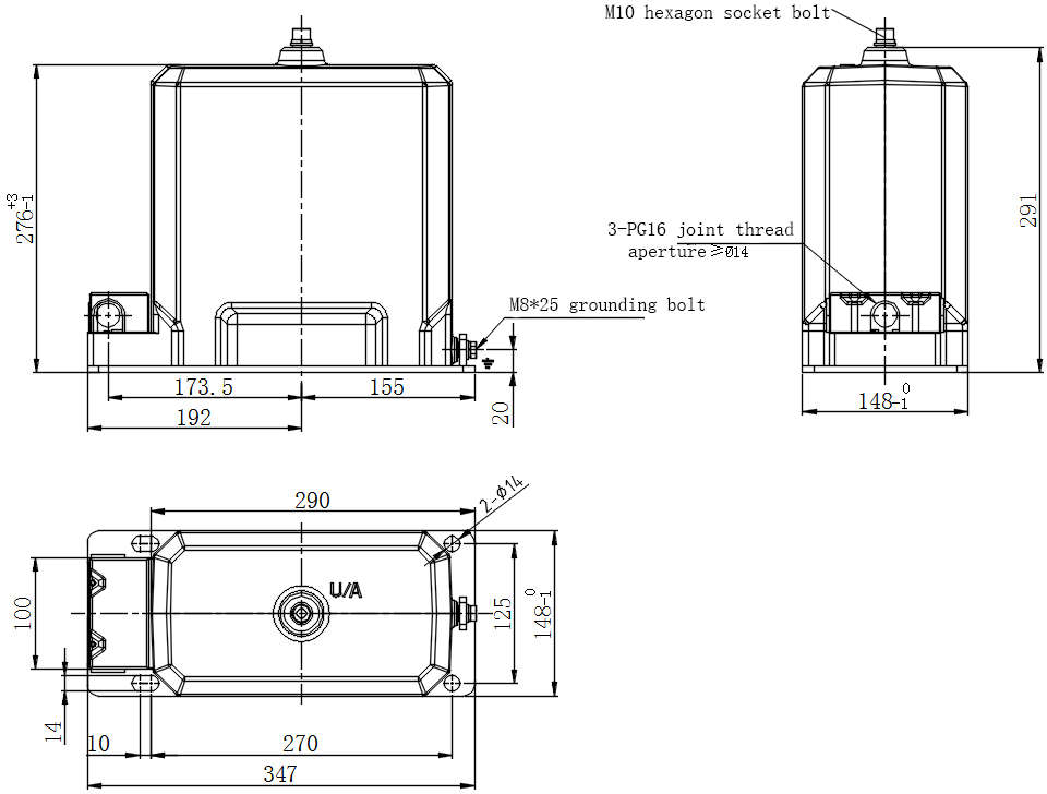
Product Dimensions & Diagram

图片1.png


JDZX15-17.5

JDZX15-17.5 Voltage Transformer for AIS(PO-376)

  • Application: 17.5kV Air-Insulated Switchgear

  • Structure Type: Indoor; Single-Phase; Single-Column; Resin-Cast

  • Rated Frequency: 50Hz, 60Hz

  • Rated Insulation Level: 17.5/55/105kV (IEC 17.5/38/95kV)

  • Standards: GB/T 20840.1&3 (IEC 61869-1&3)


Product Technical Specifications

Rated Primary Voltage (kV)

Rated Secondary Voltage (kV)

Accuracy Class Combination

Rated Output (VA)

Thermal Limit Output (VA)

15/√3

0.1/√3

0.2

30,50

500

0.5

60,80

1

80,100

0.1/√3:0.1/√3

0.2/0.2

20/20

250/250

0.2/0.5

20/50

0.1/√3:0.1/3

0.2/3P

20/100

300

0.5/3P

50/100

Note: Parameters above are recommended specifications and can be customized upon request.

★Warning: Secondary windings must not be short-circuited during operation.

Product Dimensions & Diagram

图片1.png


Product description
 
+966 502906879
global@zrd-saudi.com
Warehouse A0 Forus Industrial Complex,
2nd Lndustrial City, Dammam, K.S.A.

Copyright @ 2019.ZHENGRUIDA GLOBAL LIMITED COMPANY

   
 
X