JDZW1-24 Voltage Transformer for Pole-Mounted Switches(PO-534)
Application: 24kV outdoor overhead power systems
Structure Type: Outdoor; Single-phase; Double-column; Resin-cast
Rated Frequency: 50Hz, 60Hz
Rated Insulation Level: 17.5/55/125kV (IEC 24/50/125kV)
Standards: GB/T 20840.1&3 (IEC 61869-1&3)
Product Technical Specifications
Rated Primary Voltage (kV) | Rated Secondary Voltage (kV) | Accuracy Class Combination | Rated Output (VA) | Thermal Limit Output (VA) |
20 | 0.1 | 0.2 | 15 | 300 |
0.5 | 30 |
1 | 50 |
0.22 | 3 | 300 | 400 |
0.1/0.22 | 0.5/3 | 30/300 | 200/400 |
Note: Parameters above are recommended specifications and can be customized upon request. | ★Warning: Secondary windings must not be short-circuited during operation. |
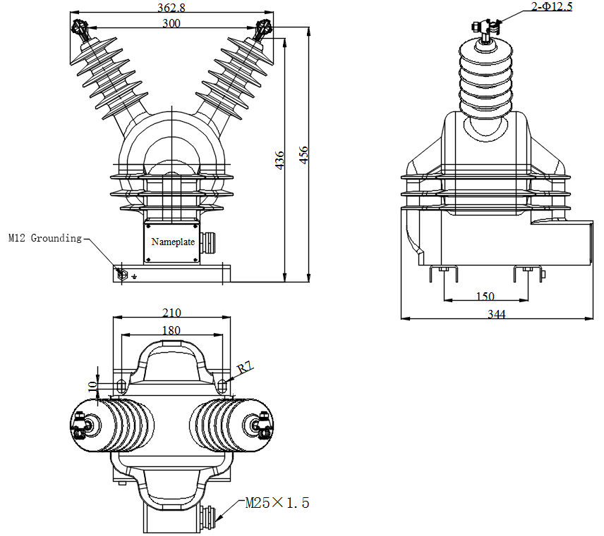
Product Dimensions & Diagram
