JDZW16-10

JDZW16-10 Voltage Transformer for Pole-Mounted Switches(PO-350)

  • Application: 12kV outdoor overhead power systems

  • Structure Type: Outdoor; Single-phase; Double-column; Resin-encapsulated

  • Rated Frequency: 50Hz, 60Hz

  • Rated Insulation Level: 12/42/75kV (IEC 12/28/75kV)

  • Standards: GB/T 20840.1&3 (IEC 61869-1&3)


暂无内容
暂无内容
Product description
 

Product Technical Specifications

Rated Primary Voltage (kV)

Rated Secondary Voltage (kV)

Accuracy Class Combination

Rated Output (VA)

Thermal Limit Output (VA)

10

0.1

0.2

30

600

0.5

50

0.22

3

600

0.1/0.1

0.2/0.2

20/20

400/400

0.2/0.5

30/30

0.1/0.22

0.2/3P

30/500

500

0.5/3P

50/500

Note: Parameters above are recommended specifications and can be customized upon request.

★Warning: Secondary windings must not be short-circuited during operation.

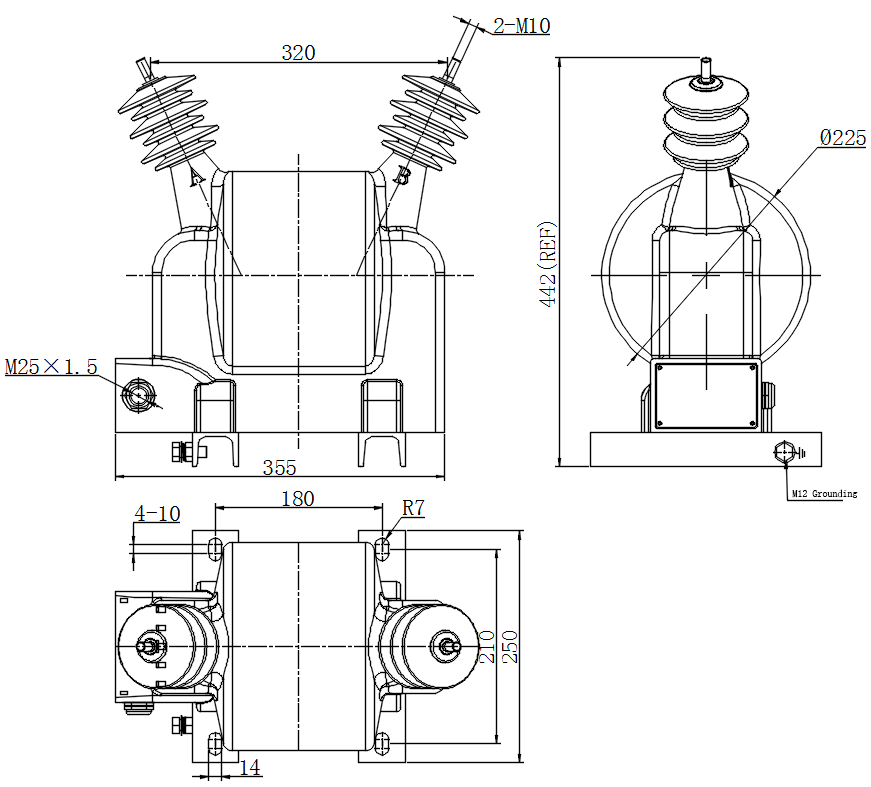
Product Dimensions & Diagram


图片1.png

JDZW16-10

JDZW16-10 Voltage Transformer for Pole-Mounted Switches(PO-350)

  • Application: 12kV outdoor overhead power systems

  • Structure Type: Outdoor; Single-phase; Double-column; Resin-encapsulated

  • Rated Frequency: 50Hz, 60Hz

  • Rated Insulation Level: 12/42/75kV (IEC 12/28/75kV)

  • Standards: GB/T 20840.1&3 (IEC 61869-1&3)


Product Technical Specifications

Rated Primary Voltage (kV)

Rated Secondary Voltage (kV)

Accuracy Class Combination

Rated Output (VA)

Thermal Limit Output (VA)

10

0.1

0.2

30

600

0.5

50

0.22

3

600

0.1/0.1

0.2/0.2

20/20

400/400

0.2/0.5

30/30

0.1/0.22

0.2/3P

30/500

500

0.5/3P

50/500

Note: Parameters above are recommended specifications and can be customized upon request.

★Warning: Secondary windings must not be short-circuited during operation.

Product Dimensions & Diagram


图片1.png

Product description
 
+966 502906879
global@zrd-saudi.com
Warehouse A0 Forus Industrial Complex,
2nd Lndustrial City, Dammam, K.S.A.

Copyright @ 2019.ZHENGRUIDA GLOBAL LIMITED COMPANY

   
 
X