JDZX11-36PC

JDZX11-36PC Voltage Transformer for GIS(PO-528)

  • Application: ≤40.5kV Gas-Insulated Switchgear

  • Structure Type: Indoor; Single-phase (phase-to-ground); Resin-encapsulated; European Type B Bushings; Fully Shielded

  • Rated Frequency: 50Hz, 60Hz

  • Rated Insulation Level: 40.5/95/200kV (IEC 36/70/170kV)

  • Standards: GB/T 20840.1&3 (IEC 61869-1&3)


暂无内容
暂无内容
Product description
 

Product Technical Specifications

Rated Primary Voltage (kV)

Rated Secondary Voltage (kV)

Accuracy Class Combination

Rated Output (VA)

Thermal Limit Output (VA)

35/√3

0.1/√3

0.2

20

300

0.5

50

1

60

0.1/√3:0.1/3

0.2/3P

15/50

200

0.5/3P

30/50

Note: Parameters above are recommended specifications and can be customized upon request.

★Warning: Secondary windings must not be short-circuited during operation.


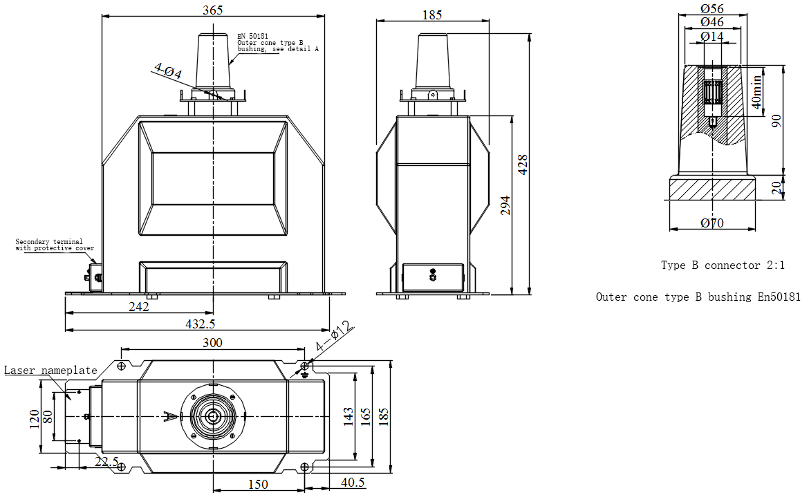
Product Dimensions & Diagram

图片1.png

JDZX11-36PC

JDZX11-36PC Voltage Transformer for GIS(PO-528)

  • Application: ≤40.5kV Gas-Insulated Switchgear

  • Structure Type: Indoor; Single-phase (phase-to-ground); Resin-encapsulated; European Type B Bushings; Fully Shielded

  • Rated Frequency: 50Hz, 60Hz

  • Rated Insulation Level: 40.5/95/200kV (IEC 36/70/170kV)

  • Standards: GB/T 20840.1&3 (IEC 61869-1&3)


Product Technical Specifications

Rated Primary Voltage (kV)

Rated Secondary Voltage (kV)

Accuracy Class Combination

Rated Output (VA)

Thermal Limit Output (VA)

35/√3

0.1/√3

0.2

20

300

0.5

50

1

60

0.1/√3:0.1/3

0.2/3P

15/50

200

0.5/3P

30/50

Note: Parameters above are recommended specifications and can be customized upon request.

★Warning: Secondary windings must not be short-circuited during operation.


Product Dimensions & Diagram

图片1.png

Product description
 
+966 502906879
global@zrd-saudi.com
Warehouse A0 Forus Industrial Complex,
2nd Lndustrial City, Dammam, K.S.A.

Copyright @ 2019.ZHENGRUIDA GLOBAL LIMITED COMPANY

   
 
X