JDZX18-35RPC

JDZX18-35RPC Voltage Transformer for GIS(PO-526)

  • Application: ≤40.5kV Gas-Insulated Switchgear

  • Structure Type: Indoor; Single-phase (phase-to-ground); Resin-encapsulated; C-type bushings; Built-in fuse; Fully shielded

  • Rated Frequency: 50Hz, 60Hz

  • Rated Insulation Level: 40.5/95/200kV (IEC 36/70/170kV)

  • Standards: GB/T 20840.1&3 (IEC 61869-1&3)


暂无内容
暂无内容
Product description
 

Product Technical Specifications

Rated Primary Voltage (kV)

Rated Secondary Voltage (kV)

Accuracy Class Combination

Rated Output (VA)

Thermal Limit Output (VA)

35/√3

0.1/√3

0.2

30

400

0.5

50

1

100

0.1/√3:0.1/3

0.2/3P

20/50

300

0.5/3P

50/50

0.1/√3:0.1/√3:0.1/3

0.2/0.5/3P

15/15/50

200/200

0.5/0.5/3P

30/30/50

Note: Parameters above are recommended specifications and can be customized upon request.

★Warning: Secondary windings must not be short-circuited during operation.

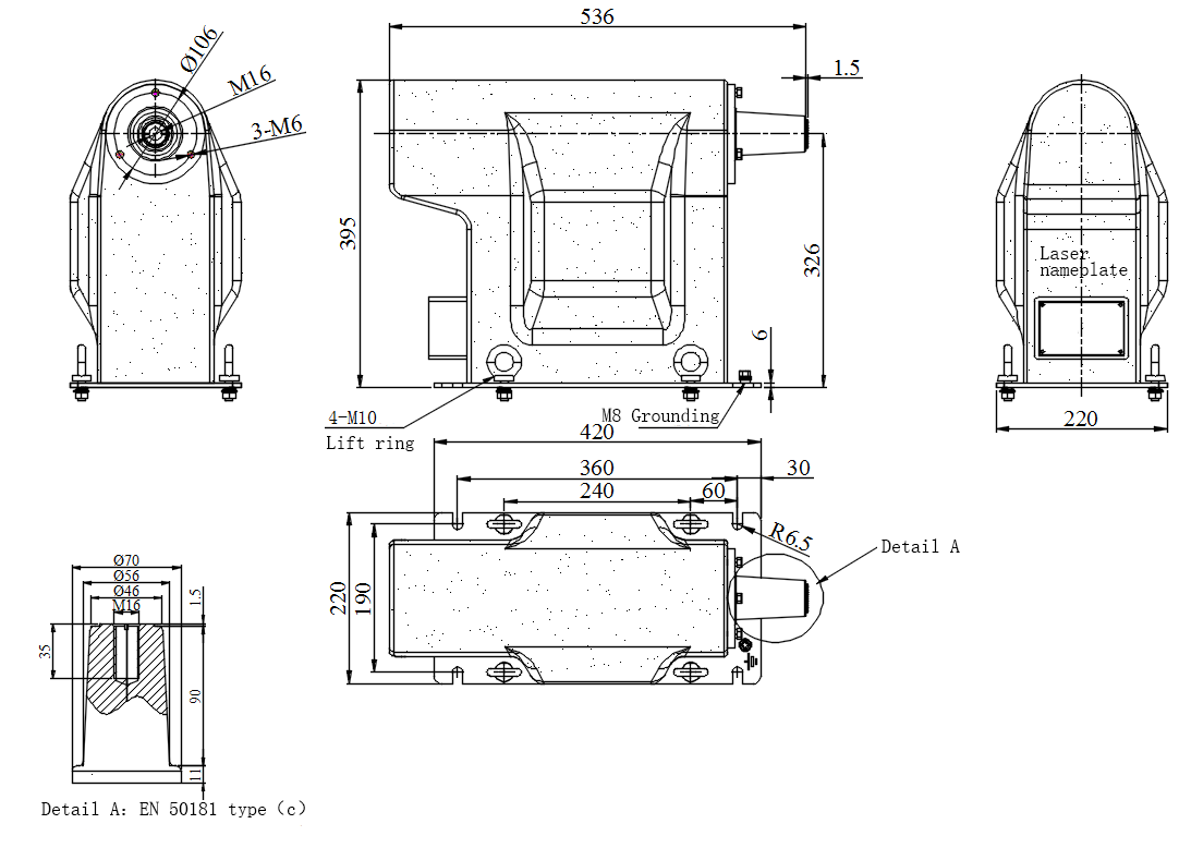
Product Dimensions & Diagram


图片1.png


JDZX18-35RPC

JDZX18-35RPC Voltage Transformer for GIS(PO-526)

  • Application: ≤40.5kV Gas-Insulated Switchgear

  • Structure Type: Indoor; Single-phase (phase-to-ground); Resin-encapsulated; C-type bushings; Built-in fuse; Fully shielded

  • Rated Frequency: 50Hz, 60Hz

  • Rated Insulation Level: 40.5/95/200kV (IEC 36/70/170kV)

  • Standards: GB/T 20840.1&3 (IEC 61869-1&3)


Product Technical Specifications

Rated Primary Voltage (kV)

Rated Secondary Voltage (kV)

Accuracy Class Combination

Rated Output (VA)

Thermal Limit Output (VA)

35/√3

0.1/√3

0.2

30

400

0.5

50

1

100

0.1/√3:0.1/3

0.2/3P

20/50

300

0.5/3P

50/50

0.1/√3:0.1/√3:0.1/3

0.2/0.5/3P

15/15/50

200/200

0.5/0.5/3P

30/30/50

Note: Parameters above are recommended specifications and can be customized upon request.

★Warning: Secondary windings must not be short-circuited during operation.

Product Dimensions & Diagram


图片1.png


Product description
 
+966 502906879
global@zrd-saudi.com
Warehouse A0 Forus Industrial Complex,
2nd Lndustrial City, Dammam, K.S.A.

Copyright @ 2019.ZHENGRUIDA GLOBAL LIMITED COMPANY

   
 
X