LMZW9-0.72

LMZW9-0.72 Low-Voltage Outdoor Current Transformer(PO-186)

  • Application: Low-voltage power systems rated 0.72kV and below  

  • Structure Type: Outdoor; Single-phase ring-core; Resin-encapsulated  

  • Rated Frequency: 50Hz, 60Hz  

  • Rated Insulation Level: 0.66/3/-kV (IEC 0.72/3/-kV)  

  • Rated Secondary Current: 5A, 1A

  • Standards: GB/T 20840.1 & 2 (IEC 61869-1 & 2) 


暂无内容
暂无内容
Product description
 

 Product Technical Specifications

Rated Primary Current (A)

Accuracy Level Combination

Accuracy Class and Rated Load (VA)

0.2S

0.2

0.5S

0.5

1

3

50

3

1

0.5,0.5S

0.2,0.2S

2.5

5

10

2.5

5

10

5

10

15

5

10

15

10

15

10

15

100

150,200

250,300

400

500

600

800

1000

Note: Customizable secondary winding tap multi-ratio design

★Warning: The secondary winding must not be open-circuited during operation.


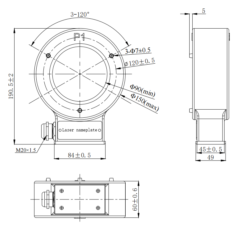
Product Dimensions & Diagram

图片1.png


LMZW9-0.72

LMZW9-0.72 Low-Voltage Outdoor Current Transformer(PO-186)

  • Application: Low-voltage power systems rated 0.72kV and below  

  • Structure Type: Outdoor; Single-phase ring-core; Resin-encapsulated  

  • Rated Frequency: 50Hz, 60Hz  

  • Rated Insulation Level: 0.66/3/-kV (IEC 0.72/3/-kV)  

  • Rated Secondary Current: 5A, 1A

  • Standards: GB/T 20840.1 & 2 (IEC 61869-1 & 2) 


 Product Technical Specifications

Rated Primary Current (A)

Accuracy Level Combination

Accuracy Class and Rated Load (VA)

0.2S

0.2

0.5S

0.5

1

3

50

3

1

0.5,0.5S

0.2,0.2S

2.5

5

10

2.5

5

10

5

10

15

5

10

15

10

15

10

15

100

150,200

250,300

400

500

600

800

1000

Note: Customizable secondary winding tap multi-ratio design

★Warning: The secondary winding must not be open-circuited during operation.


Product Dimensions & Diagram

图片1.png


Product description
 
+966 502906879
global@zrd-saudi.com
Warehouse A0 Forus Industrial Complex,
2nd Lndustrial City, Dammam, K.S.A.

Copyright @ 2019.ZHENGRUIDA GLOBAL LIMITED COMPANY

   
 
X