LZYT-0.72T4

LZYT-0.72T4 Ring-core Medium-Voltage Current Transformer(PO-1154)

  • Application: ≤40.5kV GIS; Low-voltage and medium-voltage insulated power lines

  • Structure Type: Indoor; Plastic-encapsulated resin; Ring-through core

  • Rated Frequency: 50Hz, 60Hz

  • Rated Insulation Level: 0.66/3/-kV (IEC 0.72/3/-kV)

  • Rated Secondary Current: 5A, 1A

  • Standards: GB/T 20840.1 & 2 (IEC 61869-1 & 2)



暂无内容
暂无内容
Product description
 

Product Technical Specifications

Rated Primary Current (A)

Accuracy Class and Rated Load (VA)

0.2(S)

0.5(S)

1

3

10P10

10P5

50




1



75



1.5

2.5


0.5

100



2.5

2.5


0.5

150


2.5

2.5

5


1

200


2.5

5

5

0.5

1

300

2.5

5

5

5

1.0

2.5

400-500

5

5

5

5

1.5

2.5

600-800

5

5

5

5

2.5

5

Note: Customizable secondary winding tap multi-ratio design                      

★Warning: The secondary winding must not be open-circuited during operation.

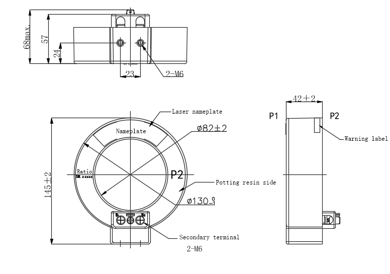
Product Dimensions & Diagram

 

 图片1.png



LZYT-0.72T4

LZYT-0.72T4 Ring-core Medium-Voltage Current Transformer(PO-1154)

  • Application: ≤40.5kV GIS; Low-voltage and medium-voltage insulated power lines

  • Structure Type: Indoor; Plastic-encapsulated resin; Ring-through core

  • Rated Frequency: 50Hz, 60Hz

  • Rated Insulation Level: 0.66/3/-kV (IEC 0.72/3/-kV)

  • Rated Secondary Current: 5A, 1A

  • Standards: GB/T 20840.1 & 2 (IEC 61869-1 & 2)



Product Technical Specifications

Rated Primary Current (A)

Accuracy Class and Rated Load (VA)

0.2(S)

0.5(S)

1

3

10P10

10P5

50




1



75



1.5

2.5


0.5

100



2.5

2.5


0.5

150


2.5

2.5

5


1

200


2.5

5

5

0.5

1

300

2.5

5

5

5

1.0

2.5

400-500

5

5

5

5

1.5

2.5

600-800

5

5

5

5

2.5

5

Note: Customizable secondary winding tap multi-ratio design                      

★Warning: The secondary winding must not be open-circuited during operation.

Product Dimensions & Diagram

 

 图片1.png



Product description
 
+966 502906879
global@zrd-saudi.com
Warehouse A0 Forus Industrial Complex,
2nd Lndustrial City, Dammam, K.S.A.

Copyright @ 2019.ZHENGRUIDA GLOBAL LIMITED COMPANY

   
 
X