LMBC1-0.72

LMBC£-0.72 Wrapped Insulated Through-Core LVCT

(PO-192、PO-1101、PO-1114、PO-1118、PO-1118B)

  • Application: Power systems rated 0.72kV and below  

  • Structure Type: Indoor; Single-phase through-core; Wrapped insulation  

  • Rated Frequency: 50Hz, 60Hz  

  • Rated Insulation Level: 0.66/3/-kV (IEC 0.72/3/-kV)  

  • Rated Secondary Current: 5A, 1A

  • Standards: GB/T 20840.1 & 2 (IEC 61869-1 & 2)



暂无内容
暂无内容
Product description
 

Product Technical Specifications

Rated Primary Current (A)

Accuracy Level Combination

Accuracy Class and Rated Load (VA)

0.2(S)

0.5(S)

5P10(10P10)

50-200

0.2(S)

0.5(S)

5P10(10P10)

2.5

5

5

10

5

10

250

300

400

500

600-800

800-1000

1000-1200

1500-2000

3000-4000

★Warning: The secondary winding must not be open-circuited during operation.

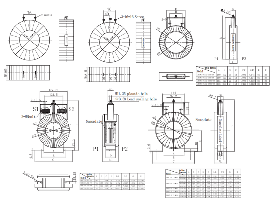
Product Dimensions & Diagram



图片1.png


LMBC1-0.72

LMBC£-0.72 Wrapped Insulated Through-Core LVCT

(PO-192、PO-1101、PO-1114、PO-1118、PO-1118B)

  • Application: Power systems rated 0.72kV and below  

  • Structure Type: Indoor; Single-phase through-core; Wrapped insulation  

  • Rated Frequency: 50Hz, 60Hz  

  • Rated Insulation Level: 0.66/3/-kV (IEC 0.72/3/-kV)  

  • Rated Secondary Current: 5A, 1A

  • Standards: GB/T 20840.1 & 2 (IEC 61869-1 & 2)



Product Technical Specifications

Rated Primary Current (A)

Accuracy Level Combination

Accuracy Class and Rated Load (VA)

0.2(S)

0.5(S)

5P10(10P10)

50-200

0.2(S)

0.5(S)

5P10(10P10)

2.5

5

5

10

5

10

250

300

400

500

600-800

800-1000

1000-1200

1500-2000

3000-4000

★Warning: The secondary winding must not be open-circuited during operation.

Product Dimensions & Diagram



图片1.png


Product description
 
+966 502906879
global@zrd-saudi.com
Warehouse A0 Forus Industrial Complex,
2nd Lndustrial City, Dammam, K.S.A.

Copyright @ 2019.ZHENGRUIDA GLOBAL LIMITED COMPANY

   
 
X