Product Technical Specifications
NO. | Rated Value | Specifications |
ECT(LPCT) | EVT(LPVT) |
1 | Rated Primary Voltage | 0.72kV | 33/√3kV |
2 | Rated Primary Current | 600A | / |
3 | Rated Secondary Voltage | 4V、225mV | 1/√3V,3.25/√3V, 6.5/3V |
4 | Accuracy Class | 0.5,0.5S,1,5P,10P | 3, 0.5P, 1P,3P,6P |
5 | Rated Load | ≥20kΩ | 1MΩ, 2MΩ,10MΩ,200KΩ |
6 | Rated Power Frequency Withstand Voltage | 3kV(IEC 3kV) | 95kV(IEC 70kV) |
7 | Rated Short-Time Thermal Current | 80(100)×Ipr | / |
8 | Partial Discharge Level | ≤20pC |
9 | Connection Method | Aviation connectors;RJ45 connectors |
10 | Connection Cable | Multi-Polar Shielded Signal Cable L=10 meters (length customizable upon request) |
Product Dimensions & Diagram
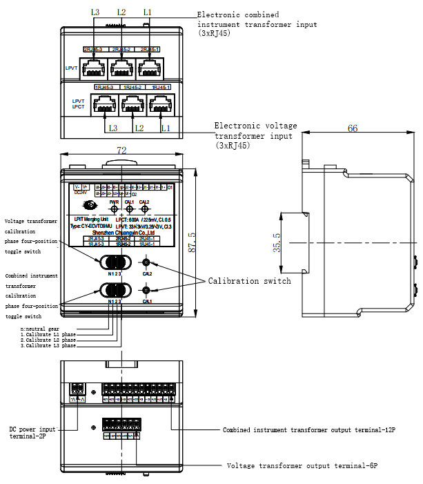
Figure 1. Connection Usage Diagram
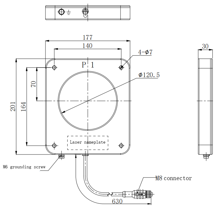
Figure 2: Combined Sensor Drawing

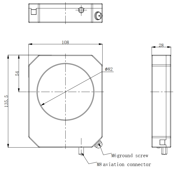
Figure 3: Waterproof Cast Aluminum Box

Figure 4: Combined Calibration Unit

Figure 5: Product Image