CYS-LPYT2-17.5

CYS-LPYT2-17.5 Current-Voltage Combined Sensor(PO-9708)

Application: ≤17.5kV switchgear

Structure Type: Indoor Single-phase Resin-cast C-type bushing with external cone for cable plug

Rated Frequency: 50Hz, 60Hz

Rated Insulation Level: 17.5/55/105kV (IEC 17.5/38/95kV)

Standards: GB/T 20840.6, GB/T 20840.7&8 (IEC 61869-6&10&11)


暂无内容
暂无内容
Product description
 

Product Specifications

NO.

 

Rated Values

 

Parameters

ECT(LPCT)

EVT(LPVT)

1

Rated Primary Voltage

17.5kV

13.8/√3kV

2

Rated Primary Current

40~800A

/

3

Rated Secondary Voltage

225mV

3.25/√3V,

4

Accuracy Class

0.5,1,5P,10P

1,3, 0.5P, 1P,3P,6P

5

Rated Load

≥10kΩ

1MΩ, 2MΩ,10MΩ

6

Rated Power Frequency Withstand Voltage

55kV(IEC38kV)

55kV(IEC38kV)

7

Rated Short-Time Thermal Current

80(100)×Ipr

/

8

Partial Discharge Level

≤20pC

9

Torque

Max 30N·m

10

Connection Method

Aviation Connector

11

Connection Cable

Shielded Twisted Pair Cable L=3 meters (length customizable upon request)

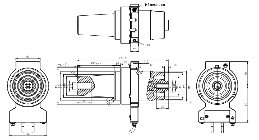
Product Dimensions & Photo

图片1.png


CYS-LPYT2-17.5

CYS-LPYT2-17.5 Current-Voltage Combined Sensor(PO-9708)

Application: ≤17.5kV switchgear

Structure Type: Indoor Single-phase Resin-cast C-type bushing with external cone for cable plug

Rated Frequency: 50Hz, 60Hz

Rated Insulation Level: 17.5/55/105kV (IEC 17.5/38/95kV)

Standards: GB/T 20840.6, GB/T 20840.7&8 (IEC 61869-6&10&11)


Product Specifications

NO.

 

Rated Values

 

Parameters

ECT(LPCT)

EVT(LPVT)

1

Rated Primary Voltage

17.5kV

13.8/√3kV

2

Rated Primary Current

40~800A

/

3

Rated Secondary Voltage

225mV

3.25/√3V,

4

Accuracy Class

0.5,1,5P,10P

1,3, 0.5P, 1P,3P,6P

5

Rated Load

≥10kΩ

1MΩ, 2MΩ,10MΩ

6

Rated Power Frequency Withstand Voltage

55kV(IEC38kV)

55kV(IEC38kV)

7

Rated Short-Time Thermal Current

80(100)×Ipr

/

8

Partial Discharge Level

≤20pC

9

Torque

Max 30N·m

10

Connection Method

Aviation Connector

11

Connection Cable

Shielded Twisted Pair Cable L=3 meters (length customizable upon request)

Product Dimensions & Photo

图片1.png


Product description
 
+966 502906879
global@zrd-saudi.com
Warehouse A0 Forus Industrial Complex,
2nd Lndustrial City, Dammam, K.S.A.

Copyright @ 2019.ZHENGRUIDA GLOBAL LIMITED COMPANY

   
 
X