CY-ECTDT8

CY-ECTDT8 Current Sensor(PO-9131)

Application: ≤40.5kV switchgear

Structure Type: Indoor  Single-phase  Resin-encapsulated plastic enclosure  Busbar-through type

Rated Frequency: 50Hz, 60Hz

Rated Insulation Level: 0.66/3/-kV (IEC 0.72/3/-kV)

Standards: GB/T 20840.6, GB/T 20840.8 (IEC 61869-6&10)


暂无内容
暂无内容
Product description
 

Product Specifications

NO.

Rated Value

Parameters

1

Rated Primary Current

10~800A

2

Rated Secondary Voltage

1V, 225mV, 150mV

3

Accuracy Class

0.2(S), 0.5(S), 1, 5P, 10P

4

Rated Load

≥20kΩ

5

Rated Frequency

50Hz, 60Hz

6

Rated Power Frequency Withstand Voltage

3kV (IEC 3kV)/1 minute

7

Rated Short-Time Thermal Current

80×Ipr

8

Connection Cable

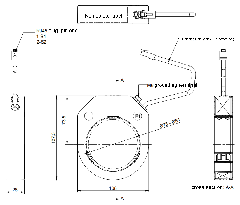
RJ45-Shielded Twisted Pair Cable L=3.7m (Custom lengths available upon request)

Product Dimensions & Photo

图片1.png


CY-ECTDT8

CY-ECTDT8 Current Sensor(PO-9131)

Application: ≤40.5kV switchgear

Structure Type: Indoor  Single-phase  Resin-encapsulated plastic enclosure  Busbar-through type

Rated Frequency: 50Hz, 60Hz

Rated Insulation Level: 0.66/3/-kV (IEC 0.72/3/-kV)

Standards: GB/T 20840.6, GB/T 20840.8 (IEC 61869-6&10)


Product Specifications

NO.

Rated Value

Parameters

1

Rated Primary Current

10~800A

2

Rated Secondary Voltage

1V, 225mV, 150mV

3

Accuracy Class

0.2(S), 0.5(S), 1, 5P, 10P

4

Rated Load

≥20kΩ

5

Rated Frequency

50Hz, 60Hz

6

Rated Power Frequency Withstand Voltage

3kV (IEC 3kV)/1 minute

7

Rated Short-Time Thermal Current

80×Ipr

8

Connection Cable

RJ45-Shielded Twisted Pair Cable L=3.7m (Custom lengths available upon request)

Product Dimensions & Photo

图片1.png


Product description
 
+966 502906879
global@zrd-saudi.com
Warehouse A0 Forus Industrial Complex,
2nd Lndustrial City, Dammam, K.S.A.

Copyright @ 2019.ZHENGRUIDA GLOBAL LIMITED COMPANY

   
 
X