CY-ECTD9

CY-ECTD9 Electronic Current Transformer(PO-9110)

  • Applicable to: ≤40.5kV switchgear

  • Structure Type: Indoor;Single-phase;Plastic-encapsulated resin;Busbar through-core type

  • Rated Frequency: 50Hz, 60Hz

  • Rated Insulation Level: 0.66/3/-kV (IEC 0.72/3/-kV)

  • Standards: GB/T 20840.6, GB/T 20840.8 (IEC 61869-6&10)


暂无内容
暂无内容
Product description
 

Product Technical Specifications


NO.

Rated Value

Specifications

1

Rated Primary Current

10~1500A

2

Rated Secondary Voltage

1V、225mV

3

Accuracy Class

0.2(S),0.5(S),1,5P,10P

4

Rated Load

≥20kΩ

5

Rated Frequency

50Hz,60Hz

6

Rated Power Frequency Withstand Voltage

3kV

7

Rated Short-Time Thermal Current

80×Ipr

8

Connection Cable

Shielded twisted pair cable L=3 meters (length customizable upon request)



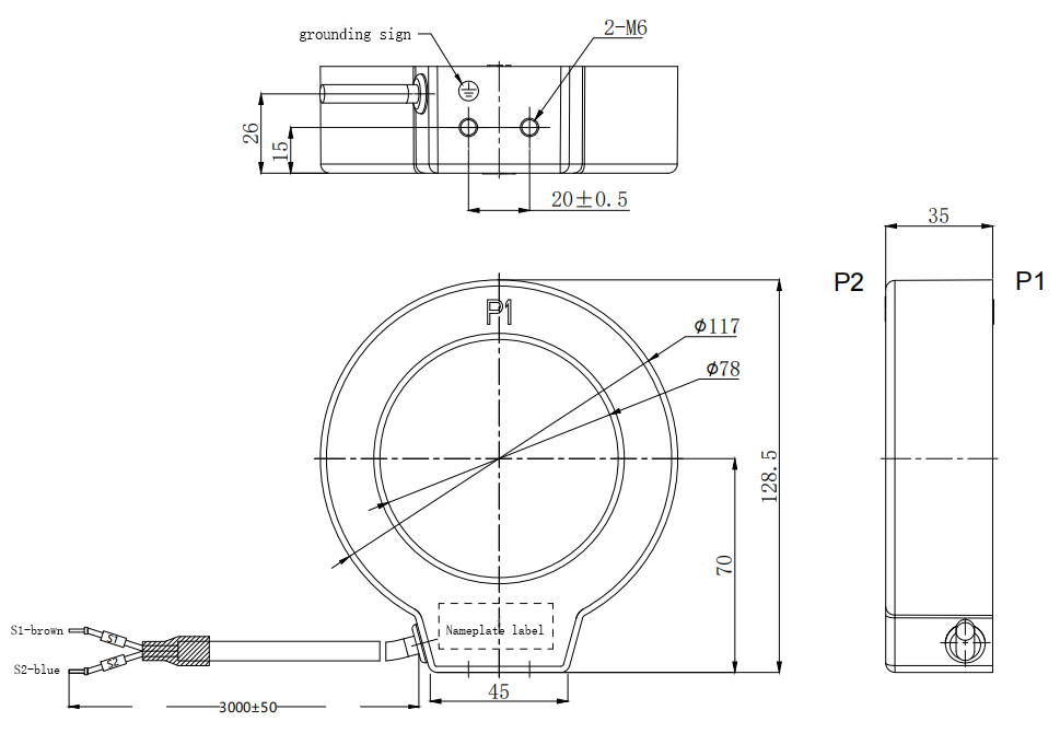
Product Dimensions & Diagram

图片1.png


CY-ECTD9

CY-ECTD9 Electronic Current Transformer(PO-9110)

  • Applicable to: ≤40.5kV switchgear

  • Structure Type: Indoor;Single-phase;Plastic-encapsulated resin;Busbar through-core type

  • Rated Frequency: 50Hz, 60Hz

  • Rated Insulation Level: 0.66/3/-kV (IEC 0.72/3/-kV)

  • Standards: GB/T 20840.6, GB/T 20840.8 (IEC 61869-6&10)


Product Technical Specifications


NO.

Rated Value

Specifications

1

Rated Primary Current

10~1500A

2

Rated Secondary Voltage

1V、225mV

3

Accuracy Class

0.2(S),0.5(S),1,5P,10P

4

Rated Load

≥20kΩ

5

Rated Frequency

50Hz,60Hz

6

Rated Power Frequency Withstand Voltage

3kV

7

Rated Short-Time Thermal Current

80×Ipr

8

Connection Cable

Shielded twisted pair cable L=3 meters (length customizable upon request)



Product Dimensions & Diagram

图片1.png


Product description
 
+966 502906879
global@zrd-saudi.com
Warehouse A0 Forus Industrial Complex,
2nd Lndustrial City, Dammam, K.S.A.

Copyright @ 2019.ZHENGRUIDA GLOBAL LIMITED COMPANY

   
 
X