JDZ11-36

محول جهد من النوع JDZ11-36 (P0-525)

التطبيقات: مفاتيح كهربائية معزولة بالهواء بجهد 40.5 كيلو فولت

النوع الهيكلي: داخلي، أحادي الطور، مزدوج الأعمدة، مصبوب بالراتنج.

التردد المقدر: 50 هرتز، 60 هرتز

مستوى العزل المقدر: 40.5/95/200 كيلو فولت (IEC 36/70/170 كيلو فولت)

معيار التنفيذ: GB/T 20840.1&3 (IEC 61869-1&3)



暂无内容
暂无内容
وصف المنتج
 

المعلمات التقنية للمنتج:

تصنيف الجهد الأساسي(كيلو فولت)

تصنيف الجهد الثانوي(كيلو فولت)

مزيج مستوى الدقة

الإخراج المقدر(و)

إخراج الحد الحراري(و)

35

0.1

0.2

15,25

800

0.5

30,50

1

100,150

0.1/0.1

0.2/0.2

15/15

300/300

0.2/0.5

15/30

0.1/0.22

0.2/3P

15/500

800

0.5/3P

25/500

ملاحظة: المعايير المذكورة أعلاه هي معايير موصى بها؛ ويمكن تخصيص المعايير بناءً على الطلب.

★تحذير: لا يُسمح بحدوث دوائر قصر على الملف الثانوي أثناء التشغيل.


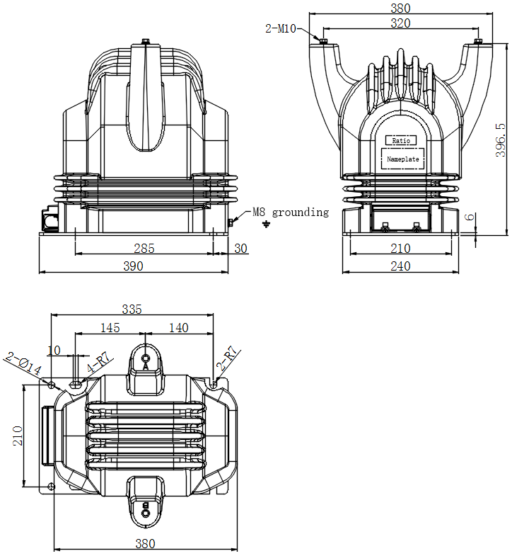
أبعاد المنتج:

图片1.png

JDZ11-36

محول جهد من النوع JDZ11-36 (P0-525)

التطبيقات: مفاتيح كهربائية معزولة بالهواء بجهد 40.5 كيلو فولت

النوع الهيكلي: داخلي، أحادي الطور، مزدوج الأعمدة، مصبوب بالراتنج.

التردد المقدر: 50 هرتز، 60 هرتز

مستوى العزل المقدر: 40.5/95/200 كيلو فولت (IEC 36/70/170 كيلو فولت)

معيار التنفيذ: GB/T 20840.1&3 (IEC 61869-1&3)



المعلمات التقنية للمنتج:

تصنيف الجهد الأساسي(كيلو فولت)

تصنيف الجهد الثانوي(كيلو فولت)

مزيج مستوى الدقة

الإخراج المقدر(و)

إخراج الحد الحراري(و)

35

0.1

0.2

15,25

800

0.5

30,50

1

100,150

0.1/0.1

0.2/0.2

15/15

300/300

0.2/0.5

15/30

0.1/0.22

0.2/3P

15/500

800

0.5/3P

25/500

ملاحظة: المعايير المذكورة أعلاه هي معايير موصى بها؛ ويمكن تخصيص المعايير بناءً على الطلب.

★تحذير: لا يُسمح بحدوث دوائر قصر على الملف الثانوي أثناء التشغيل.


أبعاد المنتج:

图片1.png

وصف المنتج
 
+966 502906879
global@zrd-saudi.com
Warehouse A0 Forus Industrial Complex,
2nd Lndustrial City, Dammam, K.S.A.

Copyright @ 2019.ZHENGRUIDA GLOBAL LIMITED COMPANY

   
 
X