JDZX15-17.5

محول جهد من النوع JDZX15-17.5 (PO-376)

التطبيقات: مفاتيح كهربائية معزولة بالهواء بجهد 17.5 كيلو فولت

النوع الهيكلي: داخلي، أحادي الطور، أحادي العمود، مصبوب بالراتنج

التردد المقدر: 50 هرتز، 60 هرتز

مستوى العزل المقدر: 17.5/55/105 كيلو فولت (IEC 17.5/38/95 كيلو فولت)

معيار التنفيذ: GB/T 20840.1&3 (IEC 61869-1&3)



暂无内容
暂无内容
وصف المنتج
 

المعلمات التقنية للمنتج:

تصنيف الجهد الأساسي(كيلو فولت)

تصنيف الجهد الثانوي(كيلو فولت)

مزيج مستوى الدقة

الإخراج المقدر(و)

إخراج الحد الحراري(و)

15/√3

0.1/√3

0.2

30,50

500

0.5

60,80

1

80,100

0.1/√3:0.1/√3

0.2/0.2

20/20

250/250

0.2/0.5

20/50

0.1/√3:0.1/3

0.2/3P

20/100

300

0.5/3P

50/100

ملاحظة: المعايير المذكورة أعلاه هي معايير موصى بها؛ ويمكن تخصيص المعايير بناءً على الطلب.

★تحذير: لا يُسمح بحدوث دوائر قصر على الملف الثانوي أثناء التشغيل.

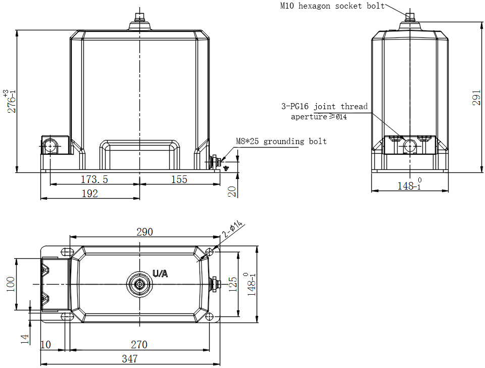
أبعاد المنتج:

图片1.png


JDZX15-17.5

محول جهد من النوع JDZX15-17.5 (PO-376)

التطبيقات: مفاتيح كهربائية معزولة بالهواء بجهد 17.5 كيلو فولت

النوع الهيكلي: داخلي، أحادي الطور، أحادي العمود، مصبوب بالراتنج

التردد المقدر: 50 هرتز، 60 هرتز

مستوى العزل المقدر: 17.5/55/105 كيلو فولت (IEC 17.5/38/95 كيلو فولت)

معيار التنفيذ: GB/T 20840.1&3 (IEC 61869-1&3)



المعلمات التقنية للمنتج:

تصنيف الجهد الأساسي(كيلو فولت)

تصنيف الجهد الثانوي(كيلو فولت)

مزيج مستوى الدقة

الإخراج المقدر(و)

إخراج الحد الحراري(و)

15/√3

0.1/√3

0.2

30,50

500

0.5

60,80

1

80,100

0.1/√3:0.1/√3

0.2/0.2

20/20

250/250

0.2/0.5

20/50

0.1/√3:0.1/3

0.2/3P

20/100

300

0.5/3P

50/100

ملاحظة: المعايير المذكورة أعلاه هي معايير موصى بها؛ ويمكن تخصيص المعايير بناءً على الطلب.

★تحذير: لا يُسمح بحدوث دوائر قصر على الملف الثانوي أثناء التشغيل.

أبعاد المنتج:

图片1.png


وصف المنتج
 
+966 502906879
global@zrd-saudi.com
Warehouse A0 Forus Industrial Complex,
2nd Lndustrial City, Dammam, K.S.A.

Copyright @ 2019.ZHENGRUIDA GLOBAL LIMITED COMPANY

   
 
X