JDZW1-24

محول جهد من النوع JDZW1-24 (P0-534)

التطبيقات: أنظمة الطاقة الهوائية الخارجية بجهد 24 كيلو فولت

نوع الهيكل: خارجي، أحادي الطور، عمود مزدوج، ومصبوب بالراتنج.

التردد المقدر: 50 هرتز، 60 هرتز

مستوى العزل المقدر: 17.5/55/125 كيلو فولت (IEC 24/50/125 كيلو فولت)

معيار التنفيذ: GB/T 20840.1&3 (IEC 61869-1&3)



暂无内容
暂无内容
وصف المنتج
 

المعلمات التقنية للمنتج:

تصنيف الجهد الأساسي(كيلو فولت)

تصنيف الجهد الثانوي(كيلو فولت)

مزيج مستوى الدقة

الإخراج المقدر(و)

إخراج الحد الحراري(و)

20

0.1

0.2

15

300

0.5

30

1

50

0.22

3

300

400

0.1/0.22

0.5/3

30/300

200/400

ملاحظة: المعايير المذكورة أعلاه هي معايير موصى بها؛ ويمكن تخصيص المعايير بناءً على الطلب.

★تحذير: لا يُسمح بحدوث دوائر قصر على الملف الثانوي أثناء التشغيل.


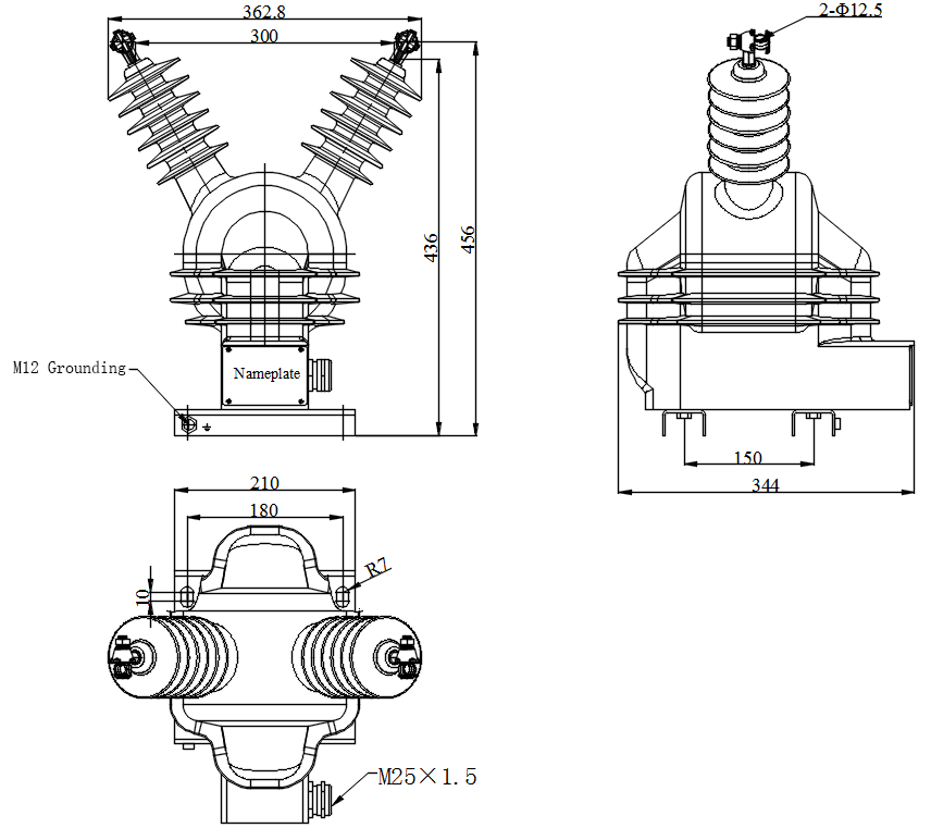
أبعاد المنتج:

图片1.png

         

 

 



JDZW1-24

محول جهد من النوع JDZW1-24 (P0-534)

التطبيقات: أنظمة الطاقة الهوائية الخارجية بجهد 24 كيلو فولت

نوع الهيكل: خارجي، أحادي الطور، عمود مزدوج، ومصبوب بالراتنج.

التردد المقدر: 50 هرتز، 60 هرتز

مستوى العزل المقدر: 17.5/55/125 كيلو فولت (IEC 24/50/125 كيلو فولت)

معيار التنفيذ: GB/T 20840.1&3 (IEC 61869-1&3)



المعلمات التقنية للمنتج:

تصنيف الجهد الأساسي(كيلو فولت)

تصنيف الجهد الثانوي(كيلو فولت)

مزيج مستوى الدقة

الإخراج المقدر(و)

إخراج الحد الحراري(و)

20

0.1

0.2

15

300

0.5

30

1

50

0.22

3

300

400

0.1/0.22

0.5/3

30/300

200/400

ملاحظة: المعايير المذكورة أعلاه هي معايير موصى بها؛ ويمكن تخصيص المعايير بناءً على الطلب.

★تحذير: لا يُسمح بحدوث دوائر قصر على الملف الثانوي أثناء التشغيل.


أبعاد المنتج:

图片1.png

         

 

 



وصف المنتج
 
+966 502906879
global@zrd-saudi.com
Warehouse A0 Forus Industrial Complex,
2nd Lndustrial City, Dammam, K.S.A.

Copyright @ 2019.ZHENGRUIDA GLOBAL LIMITED COMPANY

   
 
X