LMZW9-0.72

محول تيار منخفض الجهد من النوع LMZW9-0.72 (PO-186)

التطبيقات: أنظمة الطاقة ذات الجهد المنخفض 0.72 كيلو فولت وما دونه

النوع الهيكلي: صب راتنج أحادي الطور حلقي الشكل ذو قلب كامل في الهواء الطلق

التردد المقدر: 50 هرتز، 60 هرتز

فئة العزل المقدرة: 0.66/3/-kV (IEC 0.72/3/-kV)

التيار الثانوي المقنن: 5 أمبير، 1 أمبير

معيار التنفيذ: GB/T 20840.1 و 2 (IEC 61869-1 و 2)



暂无内容
暂无内容
وصف المنتج
 

المعلمات التقنية للمنتج:

التيار الابتدائي المقنن (أمبير)

مزيج مستوى الدقة

فئة الدقة والحمل المقدر (VA)

0.2S

0.2

0.5S

0.5

1

3

50

3

1

0.5,0.5S

0.2,0.2S

2.5

5

10

2.5

5

10

5

10

15

5

10

15

10

15

10

15

100

150,200

250,300

400

500

600

800

1000

ملاحظة:تصميم نسبة مزدوجة لصنبور اللف الثانوي القابل للتخصيص

★تحذير: يجب عدم ترك الملف الثانوي مفتوح الدائرة أثناء التشغيل.


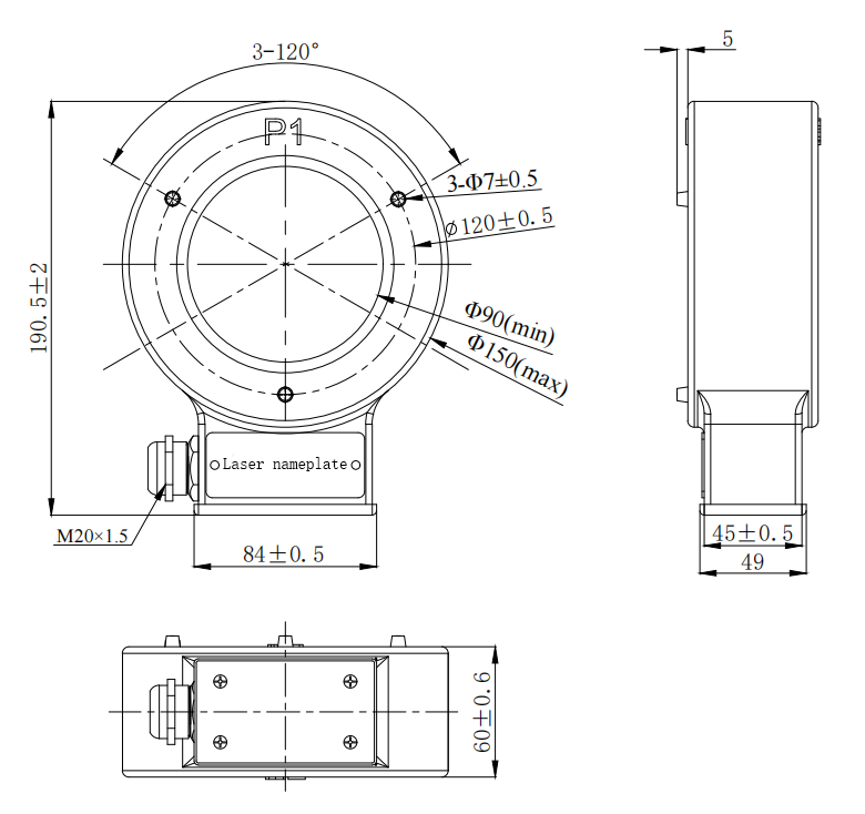
أبعاد المنتج:


图片1.png


LMZW9-0.72

محول تيار منخفض الجهد من النوع LMZW9-0.72 (PO-186)

التطبيقات: أنظمة الطاقة ذات الجهد المنخفض 0.72 كيلو فولت وما دونه

النوع الهيكلي: صب راتنج أحادي الطور حلقي الشكل ذو قلب كامل في الهواء الطلق

التردد المقدر: 50 هرتز، 60 هرتز

فئة العزل المقدرة: 0.66/3/-kV (IEC 0.72/3/-kV)

التيار الثانوي المقنن: 5 أمبير، 1 أمبير

معيار التنفيذ: GB/T 20840.1 و 2 (IEC 61869-1 و 2)



المعلمات التقنية للمنتج:

التيار الابتدائي المقنن (أمبير)

مزيج مستوى الدقة

فئة الدقة والحمل المقدر (VA)

0.2S

0.2

0.5S

0.5

1

3

50

3

1

0.5,0.5S

0.2,0.2S

2.5

5

10

2.5

5

10

5

10

15

5

10

15

10

15

10

15

100

150,200

250,300

400

500

600

800

1000

ملاحظة:تصميم نسبة مزدوجة لصنبور اللف الثانوي القابل للتخصيص

★تحذير: يجب عدم ترك الملف الثانوي مفتوح الدائرة أثناء التشغيل.


أبعاد المنتج:


图片1.png


وصف المنتج
 
+966 502906879
global@zrd-saudi.com
Warehouse A0 Forus Industrial Complex,
2nd Lndustrial City, Dammam, K.S.A.

Copyright @ 2019.ZHENGRUIDA GLOBAL LIMITED COMPANY

   
 
X