LZYT-0.72T4

محول تيار من النوع LZYT-0.72T4 (PO-1154)

التطبيقات: مفاتيح كهربائية معزولة بالغاز بجهد ≤40.5 كيلوفولت، وخطوط نقل طاقة معزولة بجهد منخفض ومتوسط

النوع الهيكلي: راتنج تغليف بلاستيكي داخلي، نوع النواة على شكل حلقة

التردد المقدر: 50 هرتز، 60 هرتز

فئة العزل المقدرة: 0.66/3/-kV (IEC 0.72/3/-kV)

التيار الثانوي المقنن: 5 أمبير، 1 أمبير

معيار التنفيذ: GB/T 20840.1 و 2 (IEC 61869-1 و 2)



暂无内容
暂无内容
وصف المنتج
 

المواصفات التقنية للمنتج

التيار الابتدائي المقنن (أمبير)

فئة الدقة والحمل المقدر (VA)

0.2(S)

0.5(S)

1

3

10P10

10P5

50




1



75



1.5

2.5


0.5

100



2.5

2.5


0.5

150


2.5

2.5

5


1

200


2.5

5

5

0.5

1

300

2.5

5

5

5

1.0

2.5

400-500

5

5

5

5

1.5

2.5

600-800

5

5

5

5

2.5

5

ملاحظة: يتوفر تصميم متعدد النسب لصنبور اللف الثانوي القابل للتخصيص

★تحذير: يجب عدم ترك الملف الثانوي مفتوح الدائرة أثناء التشغيل.

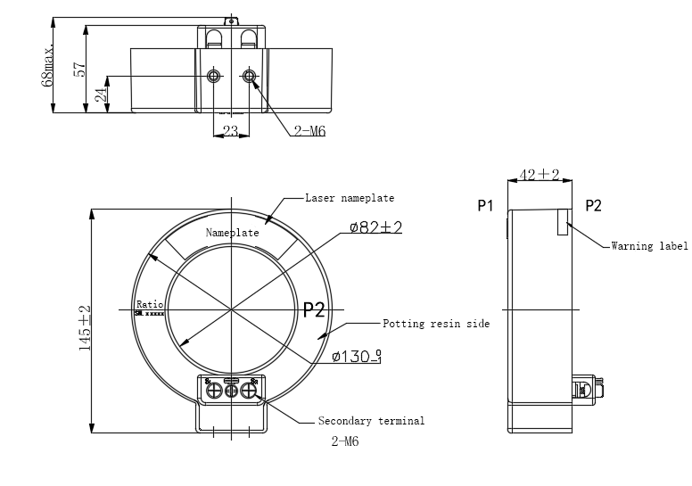
أبعاد المنتج:

 图片1.png

 



LZYT-0.72T4

محول تيار من النوع LZYT-0.72T4 (PO-1154)

التطبيقات: مفاتيح كهربائية معزولة بالغاز بجهد ≤40.5 كيلوفولت، وخطوط نقل طاقة معزولة بجهد منخفض ومتوسط

النوع الهيكلي: راتنج تغليف بلاستيكي داخلي، نوع النواة على شكل حلقة

التردد المقدر: 50 هرتز، 60 هرتز

فئة العزل المقدرة: 0.66/3/-kV (IEC 0.72/3/-kV)

التيار الثانوي المقنن: 5 أمبير، 1 أمبير

معيار التنفيذ: GB/T 20840.1 و 2 (IEC 61869-1 و 2)



المواصفات التقنية للمنتج

التيار الابتدائي المقنن (أمبير)

فئة الدقة والحمل المقدر (VA)

0.2(S)

0.5(S)

1

3

10P10

10P5

50




1



75



1.5

2.5


0.5

100



2.5

2.5


0.5

150


2.5

2.5

5


1

200


2.5

5

5

0.5

1

300

2.5

5

5

5

1.0

2.5

400-500

5

5

5

5

1.5

2.5

600-800

5

5

5

5

2.5

5

ملاحظة: يتوفر تصميم متعدد النسب لصنبور اللف الثانوي القابل للتخصيص

★تحذير: يجب عدم ترك الملف الثانوي مفتوح الدائرة أثناء التشغيل.

أبعاد المنتج:

 图片1.png

 



وصف المنتج
 
+966 502906879
global@zrd-saudi.com
Warehouse A0 Forus Industrial Complex,
2nd Lndustrial City, Dammam, K.S.A.

Copyright @ 2019.ZHENGRUIDA GLOBAL LIMITED COMPANY

   
 
X