CY-ECTD9

محول التيار الإلكتروني من النوع CY-ECTD9 (PO-9110)

التطبيقات: مفاتيح كهربائية ≤ 40.5 كيلو فولت

نوع الهيكل: قضيب توصيل داخلي أحادي الطور ذو غلاف بلاستيكي مغلف بالراتنج، من النوع ذي القلب المتصل

التردد المقدر: 50 هرتز، 60 هرتز

فئة العزل المقدرة: 0.66/3/-kV (IEC 0.72/3/-kV)

معايير التنفيذ: GB/T 20840.6، GB/T 20840.8 (IEC 61869-6&10)



暂无内容
暂无内容
وصف المنتج
 

المعلمات التقنية للمنتج:


رقم سري

تصنيف

المعلمة

1

تصنيف التيار الأساسي

10~1500A

2

تصنيف الجهد الثانوي

1V、225mV

3

مستوى الدقة

0.2(S),0.5(S),1,5P,10P

4

الحمل المقدر

≥20kΩ

5

التردد المقدر

50Hz,60Hz

6

جهد تحمل تردد الطاقة المقنن

3kV

7

التيار الحراري المقدر لفترة قصيرة

80×Ipr

8

توصيل الكابل

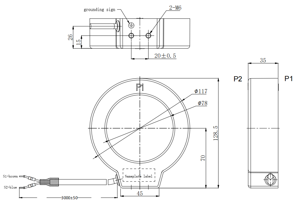
كابل مزدوج ملتوي محمي، طوله 3 أمتار (يمكن تخصيص الطول حسب الطلب).



أبعاد المنتج:

图片1.png




CY-ECTD9

محول التيار الإلكتروني من النوع CY-ECTD9 (PO-9110)

التطبيقات: مفاتيح كهربائية ≤ 40.5 كيلو فولت

نوع الهيكل: قضيب توصيل داخلي أحادي الطور ذو غلاف بلاستيكي مغلف بالراتنج، من النوع ذي القلب المتصل

التردد المقدر: 50 هرتز، 60 هرتز

فئة العزل المقدرة: 0.66/3/-kV (IEC 0.72/3/-kV)

معايير التنفيذ: GB/T 20840.6، GB/T 20840.8 (IEC 61869-6&10)



المعلمات التقنية للمنتج:


رقم سري

تصنيف

المعلمة

1

تصنيف التيار الأساسي

10~1500A

2

تصنيف الجهد الثانوي

1V、225mV

3

مستوى الدقة

0.2(S),0.5(S),1,5P,10P

4

الحمل المقدر

≥20kΩ

5

التردد المقدر

50Hz,60Hz

6

جهد تحمل تردد الطاقة المقنن

3kV

7

التيار الحراري المقدر لفترة قصيرة

80×Ipr

8

توصيل الكابل

كابل مزدوج ملتوي محمي، طوله 3 أمتار (يمكن تخصيص الطول حسب الطلب).



أبعاد المنتج:

图片1.png




وصف المنتج
 
+966 502906879
global@zrd-saudi.com
Warehouse A0 Forus Industrial Complex,
2nd Lndustrial City, Dammam, K.S.A.

Copyright @ 2019.ZHENGRUIDA GLOBAL LIMITED COMPANY

   
 
X